Cortex and victron cohabitation

Post your technical questions or solutions about your boat's electrical systems or electronics here.

Moderator: KenKrawford

Post Reply
Pbrenner
Posts: 24
Joined: Fri Oct 06, 2023 7:38 pm

Cortex and victron cohabitation

Post by Pbrenner »

For the context at the end of last summer we discovered that one of our traditional battery has died as we noticed low water then when we tried to add distilled water, it was to realize that it was dry as a bone ;-(
Tried to stupidly recharge but of course it was dead.

So decided to new lithium ion battery of course 6000 dollars later we think we know what we are going for ;-) as one thing leading to another … you all know the drill right.

We thought that jumping into AIS was a good idea as this season will be in the lake but next season planning to sail to the Atlantic Ocean through st Lawrence river (we are based in Montreal on Lake st Francis and each year we sail to Lake Ontario

So when we looked into AIS the cortex attracted our attention as come with other features. Among other thing we have a laptop with opencpn installed and would love to get the gps through wifi that the cortex seems to offer (yes we could also plus in a usb gps antenna)

Now we are down to attempting to understand the integration between the victron and cortex and the traditional radio as we are not willing to ditch our analog radio , heard mixed feedback on the digital one from cortex with delay and battery dying.

Would any of you have a recent full installation of battery monitoring , solar panel , victron and cortex installed and willing to share what you have achieved?
Happily sailing on "fuzion III" (Hull 452) in Québec, Canada
User avatar
Captain Kirk
Posts: 144
Joined: Wed Jun 08, 2016 12:05 am

Re: Cortex and victron cohabitation

Post by Captain Kirk »

Hello

Over the past 4-5 years I have installed a Victron battery monitor, 2 Victron solar panel MPPT smart chargers, 480 W of solar panels, a Victron 30A shore charger, an Em-trak AIS, a Ray-Marine Axiom plotter. Also upgraded the old SeaTalk network to SeaTalk-ng (NMEA 2000), and ran a network backbone through the boat. I also added new wind instruments on the masthead which are plug and play into the backbone.

You don't mention what Victron equipment you have or how the Cortex communicates. The Em-Trak AIS simply plugs into the network and the Axiom AIS App displays all data.

Maybe look into getting a new chart plotter, they will be compatible with a new network and will pull all the data into one place, ie) at the helm or chart table or both depending on how many Axiom displays you use. Also note that the both the Em-trak and the Axiom have GPS receivers, that can be used any other devices that are on the network.

Look at the Em-Trak line of AIS units, they are quite popular; but maybe not the least expensive.

I can send you a network diagram I put together, once i get back home if you are interested. It's a great document you can use for updates/changes/upgrades etc. that you might do in the future.

You mention getting GPS by Wi-Fi, not sure how you get Wi-Fi when you are underway, but I'm looking into Star-Link as a possibility.
Kirk & Leah McCullough
#031 -Full Batten Main, Rocna 20
Sand Dollar
Point Roberts, WA
User avatar
Captain Kirk
Posts: 144
Joined: Wed Jun 08, 2016 12:05 am

Re: Cortex and victron cohabitation

Post by Captain Kirk »

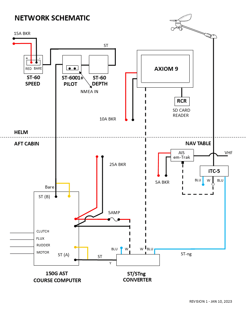
Hello

Here is my network schematic drawing. I have also created these types of drawings for the DC power systems, and for the Webasto hydronic diesel furnace system.
Attachments
NETWORK SCHEMATIC - REV 1 - JAN 2023.gif
NETWORK SCHEMATIC - REV 1 - JAN 2023.gif (32.58 KiB) Viewed 2152 times
Kirk & Leah McCullough
#031 -Full Batten Main, Rocna 20
Sand Dollar
Point Roberts, WA
Pbrenner
Posts: 24
Joined: Fri Oct 06, 2023 7:38 pm

Re: Cortex and victron cohabitation

Post by Pbrenner »

Do you share those schematic as we are planning to do the same for reference if we need to trouble shoot when sailing more demanding waters
Plus a good thing to learn
Happily sailing on "fuzion III" (Hull 452) in Québec, Canada
User avatar
Captain Kirk
Posts: 144
Joined: Wed Jun 08, 2016 12:05 am

Re: Cortex and victron cohabitation

Post by Captain Kirk »

Pbrenner

Hello.

I can share the other 2 drawings if you want them. They are DC Supply Schematic, and System Heating Schematic. Let me know and I can forward them.

Cheers
Kirk & Leah McCullough
#031 -Full Batten Main, Rocna 20
Sand Dollar
Point Roberts, WA
Post Reply